
Ergonomiczne kółko obrotowe z PU z hamulcem 160 mm - wzmocnione - łożysko kulkowe - 500 kg
Ergonomiczna konstrukcja
Kółko zmniejsza tarcie o powierzchnię o 30% w porównaniu z tradycyjnymi typami poliuretanowymi lub gumowymi. Kółko ma specyficzne właściwości pozwalające na przemieszczanie ciężkich ładunków bez wysiłku.
- Elastyczny poliuretan: Podczas ruchu materiał sprężynuje, zapewniając dodatkową energię i wydłużając czas toczenia.
- Sferyczny bieżnik: Kontakt z powierzchnią jest ograniczony, co wymaga mniejszej siły do toczenia lub obracania.
Odporność na wstrząsy
Wzmocnione widełki skrętne i gruba, ergonomiczna opona poliuretanowa są przeznaczone do ciężkich kółek obrotowych z hamulcem. Kółka te są idealne do mocno obciążonych wózków transportowych, które muszą radzić sobie z wibracjami i siłami bocznymi. Dzięki podwójnej, hartowanej szynie kulkowej i łącznikowi obrotowemu bezpiecznie przynitowanemu w kilku punktach, podczas użytkowania nie występują luzy. Kółko obrotowe jest wyposażone w krótki, wystający hamulec, który blokuje jednocześnie kóło i kółko obrotowe bez luzu.
Odporność na zużycie i trwałość
Poliuretanowa opona jest odporna na zużycie i nadaje się do szorstkich powierzchni, takich jak betonowe podłogi z wiórami stalowymi, a także środowiska z kurzem, olejem lub innymi zanieczyszczeniami. Dzięki elastycznemu poliuretanowi, kóła poruszają się płynnie po nierównych powierzchniach. Wzmocniona głowica skrętna jest dobrze nasmarowana i można ją łatwo ponownie nasmarować za pomocą smarowniczki. Gruba głowica skrętna jest prawie całkowicie zamknięta i dodatkowo chroniona przed brudem i kurzem za pomocą czerwonego pierścienia przeciwpyłowego.
Rabat od 8 sztuk, prosimy o kontakt w celu wyceny.
- Numer artykułu:: 462.231
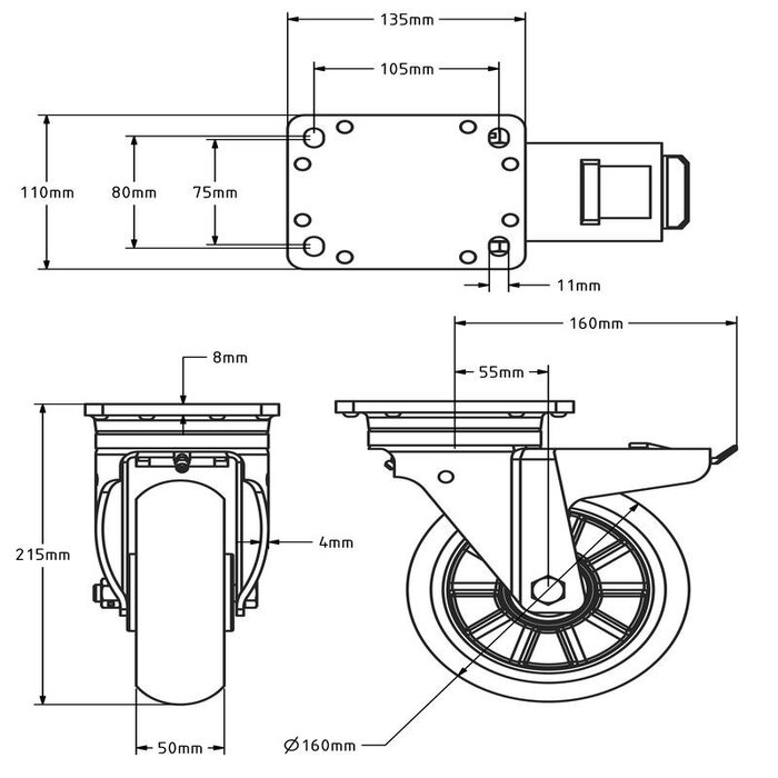
- Średnica koła: 160 mm
- Szerokość koła: 50 mm
- Wysokość całkowita: 215 mm
- Wymiary płytki: 135 x 110 mm
- Rozstaw otworów mocujących: 105 x 80 - Ø 11 mm
- Nośność: 500 kg
- Wysięg: 55 mm
- Rodzaj koła: Kółko obrotowe z hamulcem
- Montaż: Montaż na płycie
- Widelec: Tłoczona blacha stalowa, ocynkowana
- Hamulec: Blokuje jednocześnie kóło i głowicę obrotową
- Środek koła: Aluminium
- Typ łożyska: Podwójne łożysko kulkowe
- Bieżnik: ergonomiczny/ poliuretan
- Twardość opony: około 78 brzegów A
- Opór toczenia: 4
- Odporność na zużycie: 4.5
- Tłumienie: 3.5
- Temperatura: - 20 / + 80 °C
- Odpowiedni dla: Płaskie i chropowate powierzchnie
- Numer artykułu:: 462.231
- Średnica koła: 160 mm
- Szerokość koła: 50 mm
- Wysokość całkowita: 215 mm
- Wymiary płytki: 135 x 110 mm
- Rozstaw otworów mocujących: 105 x 80 - Ø 11 mm
- Nośność: 500 kg
- Wysięg: 55 mm
- Rodzaj koła: Kółko obrotowe z hamulcem
- Montaż: Montaż na płycie
- Widelec: Tłoczona blacha stalowa, ocynkowana
- Hamulec: Blokuje jednocześnie kóło i głowicę obrotową
- Środek koła: Aluminium
- Typ łożyska: Podwójne łożysko kulkowe
- Bieżnik: ergonomiczny/ poliuretan
- Twardość opony: około 78 brzegów A
- Opór toczenia: 4
- Odporność na zużycie: 4.5
- Tłumienie: 3.5
- Temperatura: - 20 / + 80 °C
- Odpowiedni dla: Płaskie i chropowate powierzchnie















