
Nie znaleziono żadnych produktów
Koło rowkowane 160 mm z rowkiem U - 290 kg
Toon wszystkie:
Rolki jezdne do bram,Rolki na rurę
Opis
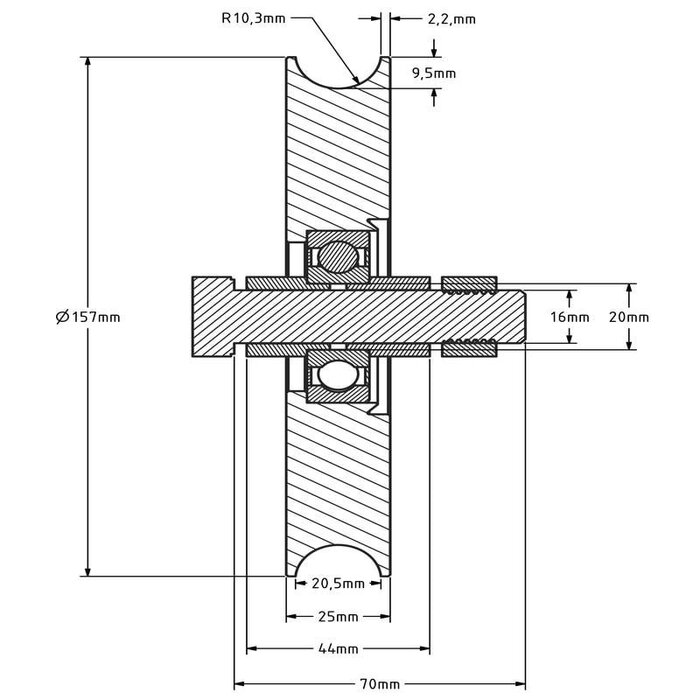
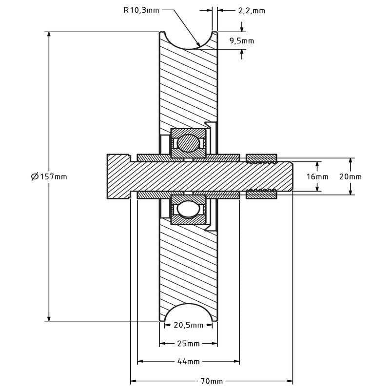
Koło z rowkiem łożyskowym 157 mm stalowe z rowkiem U - 290 kg (krążek linowy)
Koło rowkowe wykonane ze stali (ocynkowane) z 1 łożyskiem kulkowym.
Koło rowkowe ma półokrągły rowek i wałek.
Rabat od 12 sztuk, patrz ceny stopniowane lub skontaktuj się z nami w celu wyceny.
Czytaj więcej
Dane techniczne
- Numer artykułu:: 179.324
- Średnica koła: 157 mm
- Szerokość koła: 25 mm
- Średnica wału: 20 mm
- Popiół: M16 x 70
- Szerokość piasty: 44 mm
- Promień rowka: 10,3 mm
- Głębokość rowka: 9,5 mm
- Nośność: 290 kg
- Rodzaj koła: Koło rowkowane / koło linowe
- Materiał: Stal ocynkowana
- Typ rowka: Okrągły rowek - U
- Temperatura: - 20 / + 80 °C
Show all
Odpowiednie produkty
Dane techniczne
- Numer artykułu:: 179.324
- Średnica koła: 157 mm
- Szerokość koła: 25 mm
- Średnica wału: 20 mm
- Popiół: M16 x 70
- Szerokość piasty: 44 mm
- Promień rowka: 10,3 mm
- Głębokość rowka: 9,5 mm
- Nośność: 290 kg
- Rodzaj koła: Koło rowkowane / koło linowe
- Materiał: Stal ocynkowana
- Typ rowka: Okrągły rowek - U
- Temperatura: - 20 / + 80 °C
Show all
Porównaj
Masz pytanie?
Najnowsze Oglądane







