
Nie znaleziono żadnych produktów
Tworzywo sztuczne rolka diabolowa 70 mm - otwór na oś 15 mm - 100 kg
Opis
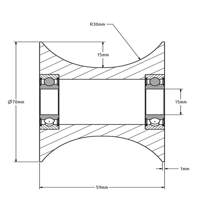
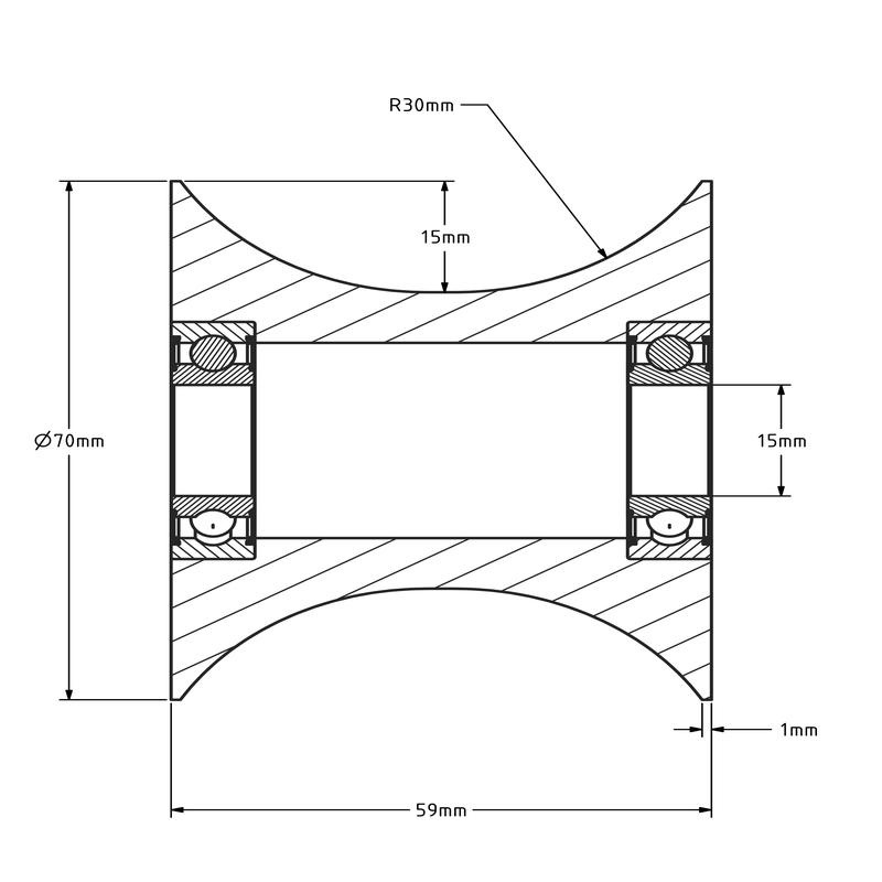
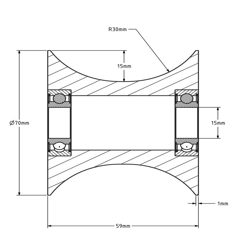
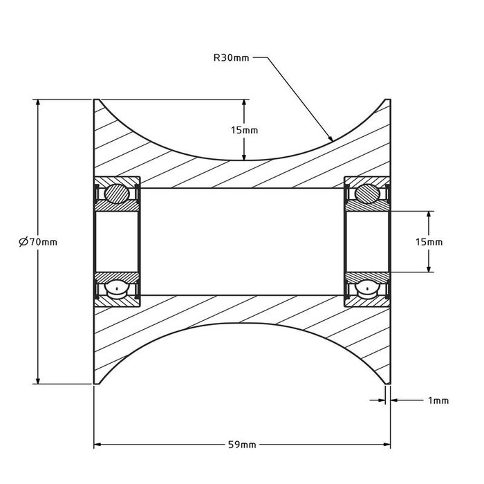
Het diabolorol, ook wel koło rurkowe genoemd, is ontworpen voor gebruik op een Ø51 mm buis. Door de diabolo-vorm blijft het wiel op de buis geleid en wordt de kans op aflopen beperkt. Toepassing is vooral in kassen en andere systemen met rollende geleiding.
Het buiswiel is uitgevoerd met kogellagers en heeft een asgat van 15 mm. Hierdoor is het onderdeel eenvoudig te monteren in bestaande constructies of rollenbanen. Geschikt als vervanging of voor nieuwe kasinstallaties en vergelijkbare toepassingen.
Rabat od 40 sztuk, zobacz ceny ilościowe lub skontaktuj się w celu uzyskania oferty.
Czytaj więcej
Dane techniczne
- Numer artykułu:: 178.820
- Średnica koła: 70 mm
- Szerokość koła: 59 mm
- Średnica wału: 15 mm
- Szerokość piasty: 58 mm
- Nośność: 100 kg
- Materiał: Poliamid (tworzywo sztuczne)
- Typ łożyska: 6002-2Z
- Temperatura: - 20 / + 80 °C
Show all
Odpowiednie produkty
Dane techniczne
- Numer artykułu:: 178.820
- Średnica koła: 70 mm
- Szerokość koła: 59 mm
- Średnica wału: 15 mm
- Szerokość piasty: 58 mm
- Nośność: 100 kg
- Materiał: Poliamid (tworzywo sztuczne)
- Typ łożyska: 6002-2Z
- Temperatura: - 20 / + 80 °C
Show all
Porównaj
Masz pytanie?














