
Nie znaleziono żadnych produktów
SB206 - Łożysko kulkowe poprzeczne FK (30x62x30)
Opis
SB206 - Łożysko napinające FK (30x62x30)
Marka: FK
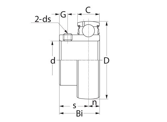
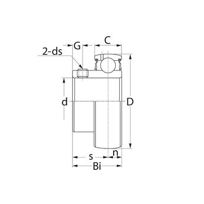
Łożysko do montażu podtynkowego
Montaż: przedłużony pierścień wewnętrzny z 1 strony z 2 śrubami ustalającymi do wału metrycznego.
Czytaj więcej
Dane techniczne
- Numer artykułu:: 995.00632
- Typ: SB206
- Wariant: Łożysko igiełkowe
- Średnica wału: 30 mm
- Średnica zewnętrzna: 62 mm
- Szerokość: 30 mm
- Pieczęć: 2RS - Dwustronna uszczelka gumowa
- Waga: 0,27 kg
Show all
Dane techniczne
- Numer artykułu:: 995.00632
- Typ: SB206
- Wariant: Łożysko igiełkowe
- Średnica wału: 30 mm
- Średnica zewnętrzna: 62 mm
- Szerokość: 30 mm
- Pieczęć: 2RS - Dwustronna uszczelka gumowa
- Waga: 0,27 kg
Show all
Porównaj
Masz pytanie?