
Nie znaleziono żadnych produktów
Stalowy słoik na kulki 19 mm - plastikowa rolka na kulki - 20 kg
Toon wszystkie:
Rolki kulkowe
Opis
Stalowy słoik na kulki 19 mm z plastikową kulką - 20 kg
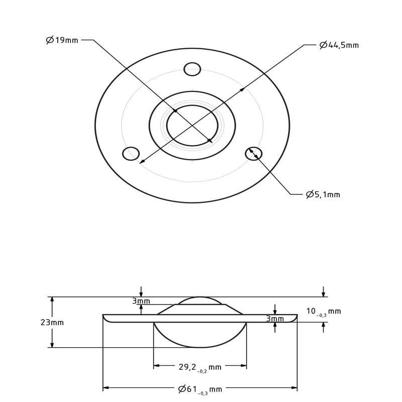
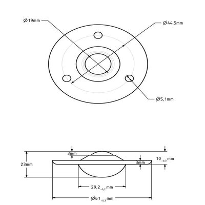
Słoik na kule z mocowaniem kołnierzowym, znany również jako słoik na kule ufo lub saturn, składa się z tłoczonej obudowy z galwanizowanej blachy stalowej i plastikowej kuli. Plastikowa kula zmniejsza ryzyko pęknięcia lub uszkodzenia (delikatnych) przedmiotów. Wbudowana kula toczy się na kilku kulach podtrzymujących, aby zapewnić niskie tarcie. Pod obudową znajduje się otwór odprowadzający zanieczyszczenia. Nadaje się do transportu promieniowego i osiowego z prędkością do ½ m/s.
Minimalny odstęp jest obliczany przez podzielenie najkrótszej długości transportowanego obiektu przez 3,5.
Uwaga: Jeśli słoik kulowy zostanie zastosowany do góry nogami, udźwig zostanie zmniejszony o 30%.
Czytaj więcej
Dane techniczne
- Numer artykułu:: 912.410
- Średnica kuli: 19 mm
- Średnica obudowy: 29 mm
- Średnica kołnierza: 61 mm
- Otwory montażowe: 3 x / 5,1 mm
- Otwory montażowe wiązki: 44,5 mm
- Wysokość całkowita: 23 mm
- Wysokość robocza: 10 mm
- Materiał kulki: Tworzywo sztuczne
- Materiał obudowy: Stal ocynkowana
- Nośność: 20 kg
Show all
Odpowiednie produkty
Dane techniczne
- Numer artykułu:: 912.410
- Średnica kuli: 19 mm
- Średnica obudowy: 29 mm
- Średnica kołnierza: 61 mm
- Otwory montażowe: 3 x / 5,1 mm
- Otwory montażowe wiązki: 44,5 mm
- Wysokość całkowita: 23 mm
- Wysokość robocza: 10 mm
- Materiał kulki: Tworzywo sztuczne
- Materiał obudowy: Stal ocynkowana
- Nośność: 20 kg
Show all
Porównaj
Masz pytanie?
Najnowsze Oglądane








