
Nie znaleziono żadnych produktów
Tuleja wału - 35x12x30 | stal ocynkowana
Opis
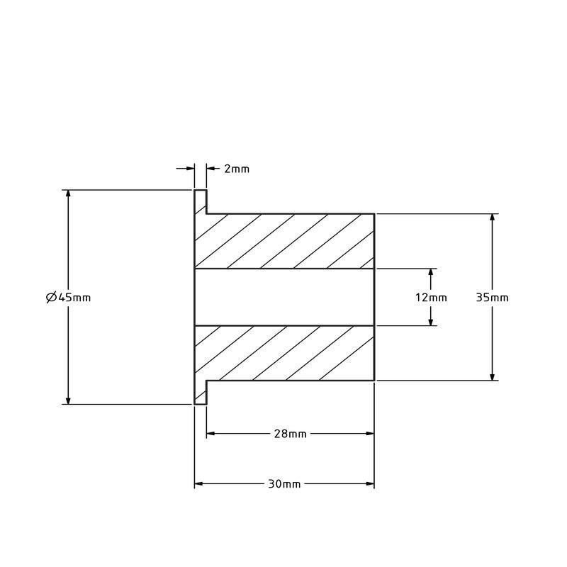
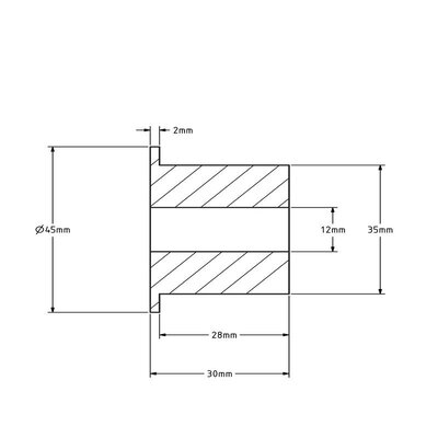
Tuleja 35 / 12 / 2 - m.s. ocynkowana
Rura / tuleja osi z ocynkowanej stali do montażu kóła z łożyskami kulkowymi.
Średnica zewnętrzna mm | 35 |
Całkowita długość osi mm | 30 |
Długość wału mm | 28 |
Średnica kołnierza mm | 45 |
Grubość kołnierza mm | 2 |
Otwór montażowy mm | 12 |
Czytaj więcej
Dane techniczne
- Numer artykułu:: 990.0052
- Średnica zewnętrzna: 35 mm
- Średnica wewnętrzna: 12 mm
- Długość całkowita: 30 mm
- Długość osi: 28 mm
- Średnica kołnierza: 45 mm
- Grubość kołnierza: 2 mm
- Materiał: Stal ocynkowana
Show all
Dane techniczne
- Numer artykułu:: 990.0052
- Średnica zewnętrzna: 35 mm
- Średnica wewnętrzna: 12 mm
- Długość całkowita: 30 mm
- Długość osi: 28 mm
- Średnica kołnierza: 45 mm
- Grubość kołnierza: 2 mm
- Materiał: Stal ocynkowana
Show all
Porównaj
Masz pytanie?